Versandkostenfrei ab 500,- € Deutschlandweit
15 % auf Angetriebene Werkzeuge
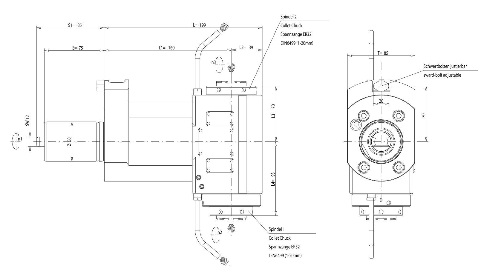
Produktinformationen "Angetriebenes Werkzeug VDI50 Winkel-Einheit 90°, 2-Spindler"
Werkzeugart: Angetrieben
Werkzeugtyp: Winkel-Einheit 90°, 2-Spindler
Werkzeugaufnahme: ER 32
Kühlmittel: ICE 70bar
Übersetzung: i = 1 : 1
n1/n2 (max.) [U/min]: 6.500 / 6.500
Ausrichtung: -
M max. [Nm]: 50
Revolverschnittstelle: MZ50V
Kühlmittelzufuhr: ICE = Externe- und interne Kühlung
Drehrichtungsumkehr: ja / nein
Lage der ER Spannmutter: Innenliegend
L1 [mm]: 160
S1 [mm]: 85
eltimon: nein
Trockenlaufeignung: ja1
Filterfeinheit: max. 50 µm
Fräseignung: ja
Keramik-Ausführung: auf Anfrage
Bedienschlüssel enthalten: nein
Bedienschlüssel Spannmutter: 112900
Bedienschlüssel Spindel: 107642
Überschrift: Angetriebenes Werkzeug VDI50 Winke
ER Größe DIN6499: ER 32

Vor dem Einsatz ist die Maschine auf mögliche Störkonturen seitens des Werkzeugs zu prüfen. Für daraus resultierende Schäden übernehmen wir keine Haftung.

Stahl
VA
Guss
Alu
Ni-Leg
Hart bearb

Zubehör

Hakenschlüssel 58/62 Zapfen Ø5
107642
Einzelpreis: 22,40 €*
Spannmutterschlüssel für ER 32, innenliegend
112900
Einzelpreis: 50,80 €*
Spannzange DIN6499 ER 32
120546
Einzelpreis: 32,90 €*
ET Spannzange DIN 6499 mit Längenausgleich
120813
Einzelpreis: 196,50 €*