Versandkostenfrei ab 500,- € Deutschlandweit
15 % auf Angetriebene Werkzeuge
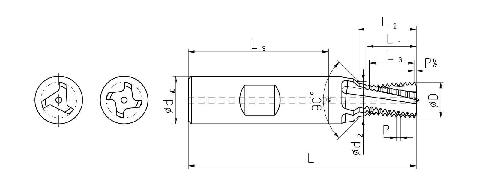
Produktinformationen "Gewindefräser SolidCUT Standard 60° 2xD Senkfase HA"
Unsere SolidCUT Serie bietet ein umfangreiches Programm an Vollhartmetall-Gewindefräsern.
Die spiralgenuteten Span-Nuten ermöglichemn einen weichen Schnitt und hervorragende Oberflächengüten.
Die universal einsetzbaren Gewindefräser sind unschlagbar in Preis/Leistung und ermöglichen effizientes Arbeiten.
SolidCUT ist eine Entwidcklung von mimatic und wird in Deutschland gefertigt.
Steigung [mm]: 1,25
Gewindebereich: M12x1,25
Schneidendurchmesser D [mm]: 9,9
Profilausführung: Vollprofil
Gewindeart: Innengewinde
Typ: SolidCUT Standard
Anzahl Schneiden: 4
Anzahl Zähne: 22
Spanwinkel:
Innere Kühlmittelzufuhr: axial
Ausführung: 2xD
Gewindeprofil: 60°
Gewindenorm: DIN 13
Gewinderichtung: Rechts & Linksgewinde
Beschichtung: Tinamatic
Substrat: VHM
Einsatzbereich: Universal ≤54HRC
Schaftform DIN1835/6535: A
d h6 [mm]: 14
L [mm]: 90
L1 [mm]: 27,5
L2 [mm]: 29,6
Drallsteigungswinkel: ~13°R

Vor dem Einsatz ist die Maschine auf mögliche Störkonturen seitens des Werkzeugs zu prüfen. Für daraus resultierende Schäden übernehmen wir keine Haftung.

Stahl
VA
Guss
Alu
Ni-Leg
Hart bearb
Vc
fz