Versandkostenfrei ab 500,- € Deutschlandweit
15 % auf Angetriebene Werkzeuge
Produktinformationen "Gewindefräsplatte TrioCUT 17 80°"
TrioCUT zeichnet sich durch weiches Schneidverhalten und geringen Schnittdruck aus, und erzielt dadurch erzielen hohe Standzeiten und Oberflächengüten. Der konisch zulaufende Plattensitz garantiert einen hochstabilen Werkzeugschaft. Weitere Merkmale sind ein radial hinterschliffenes Gewindeprofil für einen extrem großen Keilwinkel sowie eine stabile Schnittkante.
Das optimale Einsatzgebiet liegt bei Feingewinden und/oder sehr kurzen Gewindelängen.
In Größe 17 gibt es Ausführungen mit einer Bohrschneide, mit der das Kernloch im BohrFräs-Verfahren hergestellt werden kann.
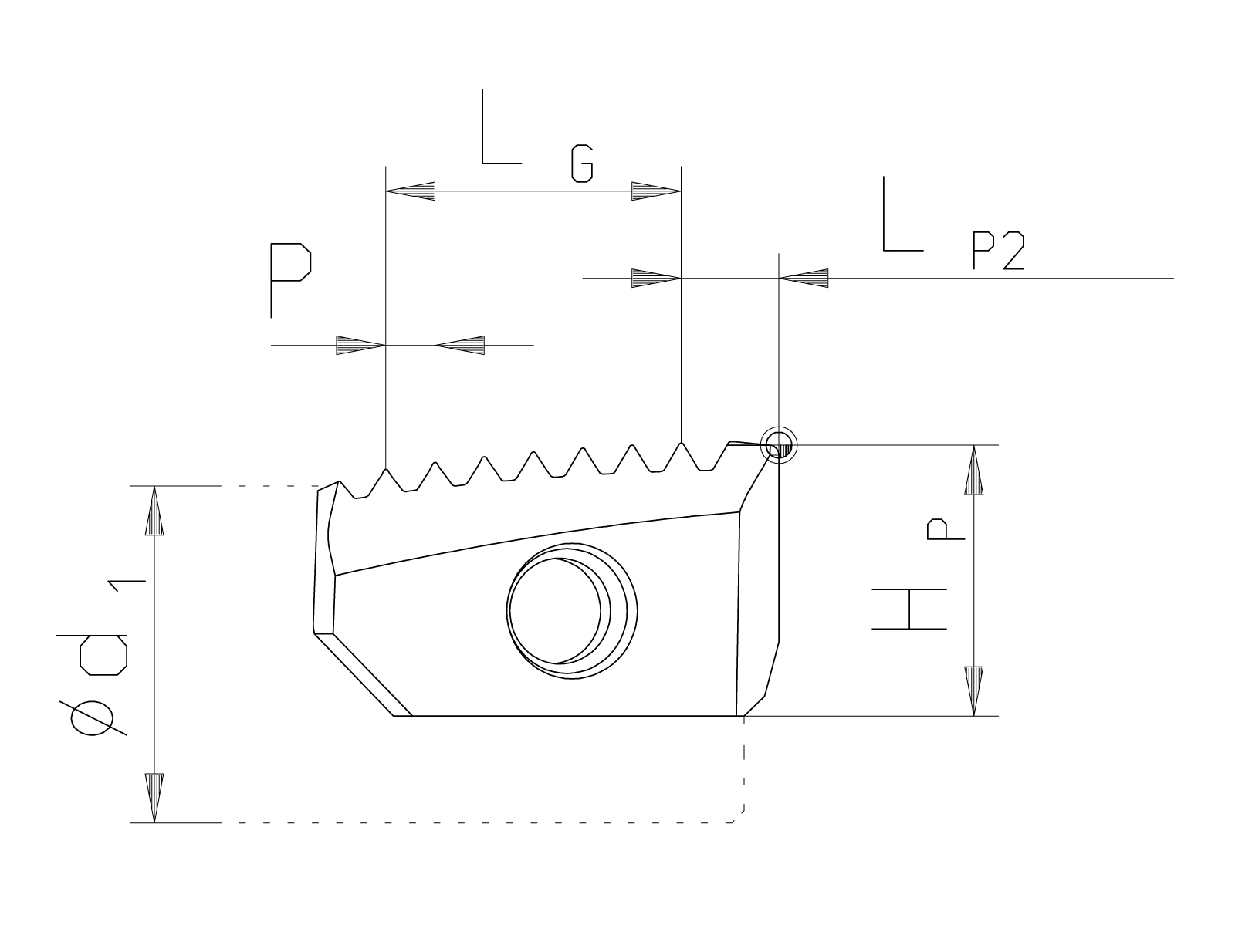
Steigung [mm]: 1,411
Gang pro Zoll: 18
Gewindebereich: 11-16
Schneidendurchmesser D [mm]: 17
Profilausführung: Vollprofil
Gewindeart: Innen- und Aussengewinde
Typ: TrioCUT 17
Anzahl Zähne: 11
L P2 [mm]: 3,9
TrioCUT Grösse: 17
H P [mm]: 11
Gewindeprofil: 80°
Gewindenorm: DIN 40430
Gewinderichtung: Rechts & Linksgewinde
Beschichtung: Tinamatic
Substrat: FKN
Einsatzbereich: Universal ≤54HRC

Vor dem Einsatz ist die Maschine auf mögliche Störkonturen seitens des Werkzeugs zu prüfen. Für daraus resultierende Schäden übernehmen wir keine Haftung.

P (Stahl)
M (Rostfreier Stahl / Edelstahl)
K (Gusseisen)
N (Nichteisenmetalle)
S (Superlegierungen und Titan)
H (Gehärtete Stähle)
O (Andere)
Vc
fz

Zubehör

Zirkularfräskörper TrioCUT 17 d h6 16HB L1=30
123631
TrioCUT zeichnet sich durch weiches Schneidverhalten und geringen Schnittdruck aus, und erzielt dadurch erzielen hohe Standzeiten und Oberflächengüten. Der konisch zulaufende Plattensitz garantiert einen hochstabilen Werkzeugschaft. Weitere Merkmale sind ein radial hinterschliffenes Gewindeprofil für einen extrem großen Keilwinkel sowie eine stabile Schnittkante.Das optimale Einsatzgebiet liegt bei Feingewinden und/oder sehr kurzen Gewindelängen.In Größe 17 gibt es Ausführungen mit einer Bohrschneide, mit der das Kernloch im BohrFräs-Verfahren hergestellt werden kann.
Einzelpreis: 207,90 €*
Zirkularfräskörper TrioCUT 17 d h6 20HB
123633
TrioCUT zeichnet sich durch weiches Schneidverhalten und geringen Schnittdruck aus, und erzielt dadurch erzielen hohe Standzeiten und Oberflächengüten. Der konisch zulaufende Plattensitz garantiert einen hochstabilen Werkzeugschaft. Weitere Merkmale sind ein radial hinterschliffenes Gewindeprofil für einen extrem großen Keilwinkel sowie eine stabile Schnittkante.Das optimale Einsatzgebiet liegt bei Feingewinden und/oder sehr kurzen Gewindelängen.In Größe 17 gibt es Ausführungen mit einer Bohrschneide, mit der das Kernloch im BohrFräs-Verfahren hergestellt werden kann.
Einzelpreis: 221,20 €*