Versandkostenfrei ab 500,- € Deutschlandweit
15 % auf Angetriebene Werkzeuge
Produktinformationen "Gewindefräsplatte TrioCUT 50 60°"
TrioCUT zeichnet sich durch weiches Schneidverhalten und geringen Schnittdruck aus, und erzielt dadurch erzielen hohe Standzeiten und Oberflächengüten. Der konisch zulaufende Plattensitz garantiert einen hochstabilen Werkzeugschaft. Weitere Merkmale sind ein radial hinterschliffenes Gewindeprofil für einen extrem großen Keilwinkel sowie eine stabile Schnittkante.
Das optimale Einsatzgebiet liegt bei Feingewinden und/oder sehr kurzen Gewindelängen.
In Größe 17 gibt es Ausführungen mit einer Bohrschneide, mit der das Kernloch im BohrFräs-Verfahren hergestellt werden kann.
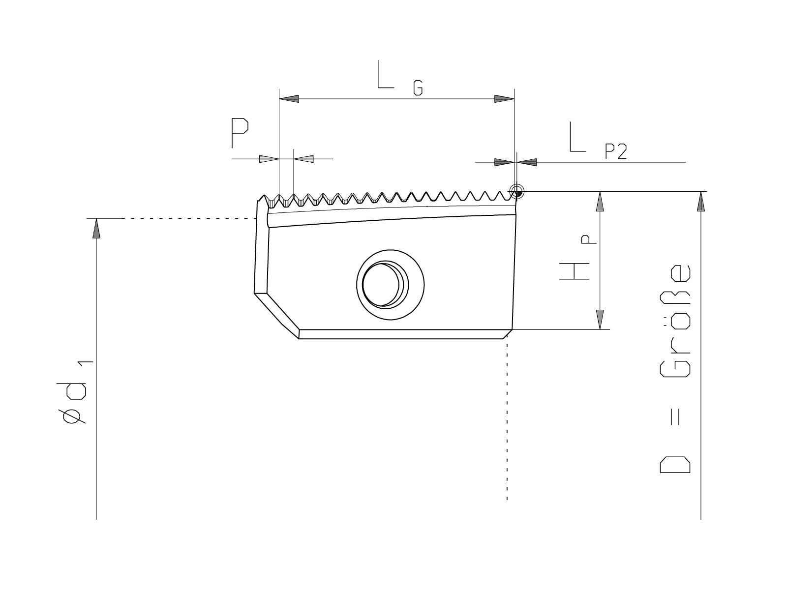
Steigung [mm]: 1,5
Schneidendurchmesser D [mm]: 50
Profilausführung: Vollprofil
Gewindeart: Innengewinde
Typ: TrioCUT 50
Anzahl Zähne: 16
L P2 [mm]: 0,75
TrioCUT Grösse: 50
H P [mm]: 18,4
Gewindeprofil: 60°
Gewindenorm: DIN 13
Gewinderichtung: Rechts & Linksgewinde
Beschichtung: Tinamatic
Substrat: FKN
Einsatzbereich: Universal ≤54HRC

Vor dem Einsatz ist die Maschine auf mögliche Störkonturen seitens des Werkzeugs zu prüfen. Für daraus resultierende Schäden übernehmen wir keine Haftung.

P (Stahl)
M (Rostfreier Stahl / Edelstahl)
K (Gusseisen)
N (Nichteisenmetalle)
S (Superlegierungen und Titan)
H (Gehärtete Stähle)
O (Andere)
Vc
fz

Zubehör

Zirkularfräskörper TrioCUT 50 Fräsdornaufnahme 22
135203
TrioCUT zeichnet sich durch weiches Schneidverhalten und geringen Schnittdruck aus, und erzielt dadurch erzielen hohe Standzeiten und Oberflächengüten. Der konisch zulaufende Plattensitz garantiert einen hochstabilen Werkzeugschaft. Weitere Merkmale sind ein radial hinterschliffenes Gewindeprofil für einen extrem großen Keilwinkel sowie eine stabile Schnittkante.Das optimale Einsatzgebiet liegt bei Feingewinden und/oder sehr kurzen Gewindelängen.In Größe 17 gibt es Ausführungen mit einer Bohrschneide, mit der das Kernloch im BohrFräs-Verfahren hergestellt werden kann.
Einzelpreis: 976,10 €*