Produktabbildungen sind beispielhaft und können in Details abweichen.
Artikelnummer:
142019
Artikeldateien auf Anfrage!
Produktinformationen "O-Ring-Einstiche DIN ISO3601-2 TriMILL 023"
mimatic TriMILL ist ein preiswertes und flexibles ZirkularfräsSystem basierend auf Wechselschneidplatten mit drei Schneiden.
Während die Größen 01 bis 04 für klassische Bohlochbearbeitungen wie Gewinde- oder Nutenfräsen mit Schneidendurchmesser bis 23mm verwendet werden, finden die Größen 013 und 023 Verwendung als Merhschneidplattensystem ab Schneidendurchmesser 32mm für eine Vielzahl weitere Anwendungsmöglichkeiten, insbesondere auch bei linearen Bearbeitungen.
Während die Größen 01 bis 04 für klassische Bohlochbearbeitungen wie Gewinde- oder Nutenfräsen mit Schneidendurchmesser bis 23mm verwendet werden, finden die Größen 013 und 023 Verwendung als Merhschneidplattensystem ab Schneidendurchmesser 32mm für eine Vielzahl weitere Anwendungsmöglichkeiten, insbesondere auch bei linearen Bearbeitungen.
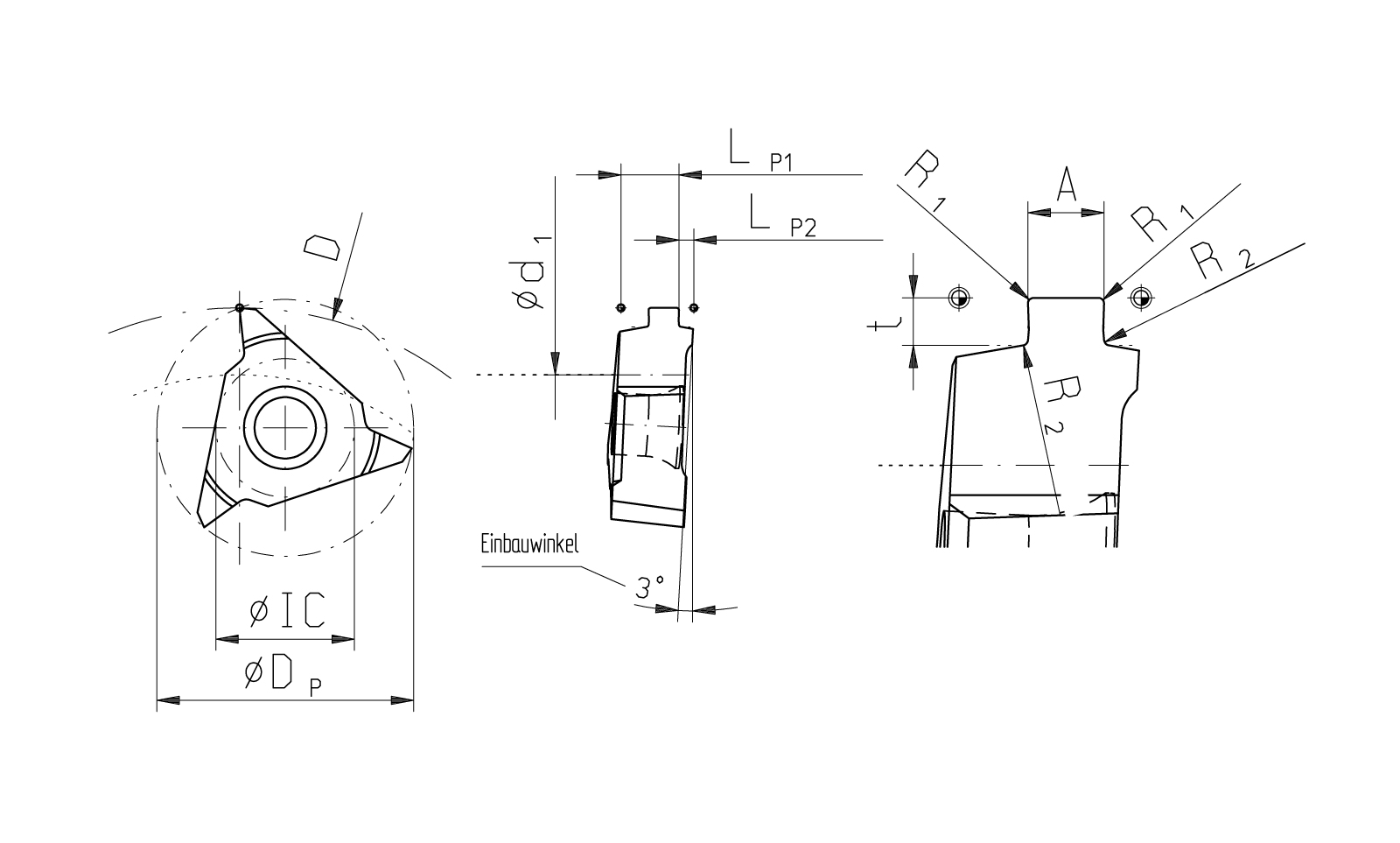
| Stechbreite A [mm]: | 3,08 |
|---|---|
| DIN Breite [mm]: | 2,65 |
| Spanwinkel: | 6° |
| Typ: | TriMILL 023 |
| L P1 [mm]: | 4,03 |
| L P2 [mm]: | 1 |
| t [mm]: | 2,3 |
| Anzahl Schneiden: | 3 |
| TriMILL Grösse: | 023 |
| Beschichtung: | Tinamatic |
| Substrat: | FKN |
| Einsatzbereich: | Universal ≤54HRC |
Vor dem Einsatz ist die Maschine auf mögliche Störkonturen seitens des Werkzeugs zu prüfen. Für daraus resultierende Schäden übernehmen wir keine Haftung.
|
P (Stahl)
|
M (Rostfreier Stahl / Edelstahl)
|
K (Gusseisen)
|
N (Nichteisenmetalle)
|
S (Superlegierungen und Titan)
|
H (Gehärtete Stähle)
|
O (Andere)
|
|
|---|---|---|---|---|---|---|---|
| Vc | |||||||
| fz |