Produktabbildungen sind beispielhaft und können in Details abweichen.
331.20€ *
(-15%)
281,52 €*
Auf Lager
Artikelnummer:
197950
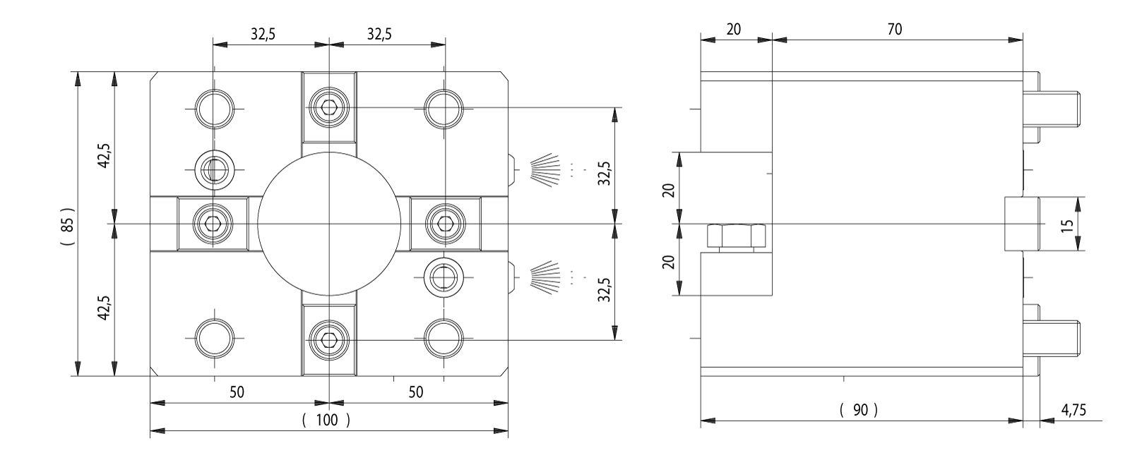
Produktinformationen "Statisches Werkzeug BMT55 Vierkant-Queraufnahme"
| Werkzeugart: | Statisch |
|---|---|
| Werkzeugtyp: | Vierkant-Queraufnahme |
| Werkzeugaufnahme: | 20x20 |
| Kühlmittel: | EC |
| Ausrichtung: | Hauptspindel oder Gegenspindel |
| Revolverschnittstelle: | BT55A |
| Kühlmittelzufuhr: | EC = Externe Kühlung |
| Bedienschlüssel enthalten: | nein |
| Drehrichtung Drehhalter: | R/L |
| Überschrift: | Statisches Werkzeug BMT55 Vierkant-Quera |
| Capto Größe: | Capto C 4 |
| Vierkant Größe [mm]: | 20x20 |
Vor dem Einsatz ist die Maschine auf mögliche Störkonturen seitens des Werkzeugs zu prüfen. Für daraus resultierende Schäden übernehmen wir keine Haftung.
|
P (Stahl)
|
M (Rostfreier Stahl / Edelstahl)
|
K (Gusseisen)
|
N (Nichteisenmetalle)
|
S (Superlegierungen und Titan)
|
H (Gehärtete Stähle)
|
O (Andere)
|
|---|