Produktabbildungen sind beispielhaft und können in Details abweichen.
324.50€ *
(-15%)
275,82 €*
Lieferzeit auf Anfrage
Artikelnummer:
104283
Artikeldateien auf Anfrage!
Produktinformationen "VDI-Werkstoffanschlag VDI40 MW
mitlaufend, verstellbar"
| Werkzeugart: | Statisch |
|---|---|
| Werkzeugtyp: | Werkstoffanschlag MW |
| Werkzeugaufnahme: | - |
| Revolverschnittstelle: | VDI 40 |
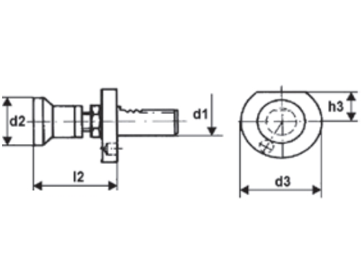
| d2 [mm]: | 42 |
| d3 [mm]: | 83 |
| l2 [mm]: | 62 - 95 |
Vor dem Einsatz ist die Maschine auf mögliche Störkonturen seitens des Werkzeugs zu prüfen. Für daraus resultierende Schäden übernehmen wir keine Haftung.
|
P (Stahl)
|
M (Rostfreier Stahl / Edelstahl)
|
K (Gusseisen)
|
N (Nichteisenmetalle)
|
S (Superlegierungen und Titan)
|
H (Gehärtete Stähle)
|
O (Andere)
|
|---|