Produktabbildungen sind beispielhaft und können in Details abweichen.
Artikelnummer:
123631
Artikeldateien auf Anfrage!
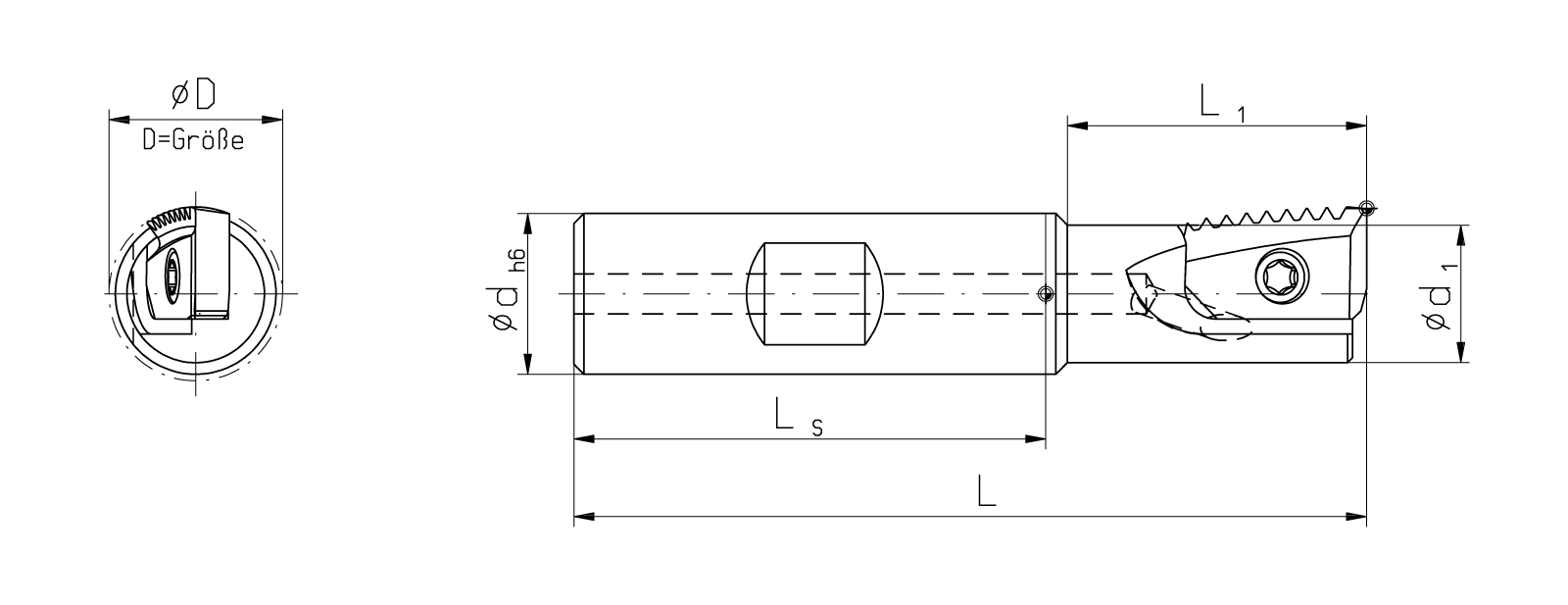
Produktinformationen "Zirkularfräskörper TrioCUT 17 d h6 16 L1=30"
| Typ: | TrioCUT 17 |
|---|---|
| Schaftdurchmesser d h6 [mm]: | 16 |
| Schaftform DIN1835/6535: | HB (Weldon) |
| Schneidendurchmesser D [mm]: | 17 |
| TrioCUT Grösse: | 17 |
| d1 [mm]: | 13,7 |
| L [mm]: | 79 |
| L1 [mm]: | 30 |
| Plattensitze: | 1 |
| Schaftausführung: | Stahl |
| Schraubendreher: | 111656 |
| Schraube: | 115628 |
| Schraubenanzugsmoment [Nm]: | 3,8 |
Vor dem Einsatz ist die Maschine auf mögliche Störkonturen seitens des Werkzeugs zu prüfen. Für daraus resultierende Schäden übernehmen wir keine Haftung.
|
Stahl
|
VA
|
Guss
|
Alu
|
Ni-Leg
|
Hart bearb
|
|---|